Appelez-nous GRATUITEMENT au 1 800 567-5247

La couleur, les dimensions, le format ou le style visibles sur certaines images peuvent différer des spécifications. Veuillez vérifier la description du produit avant de commander.
Carr Lane Manufacturing
Veuillez vous connecter pour voir les prix, la disponibilité des stocks et commander
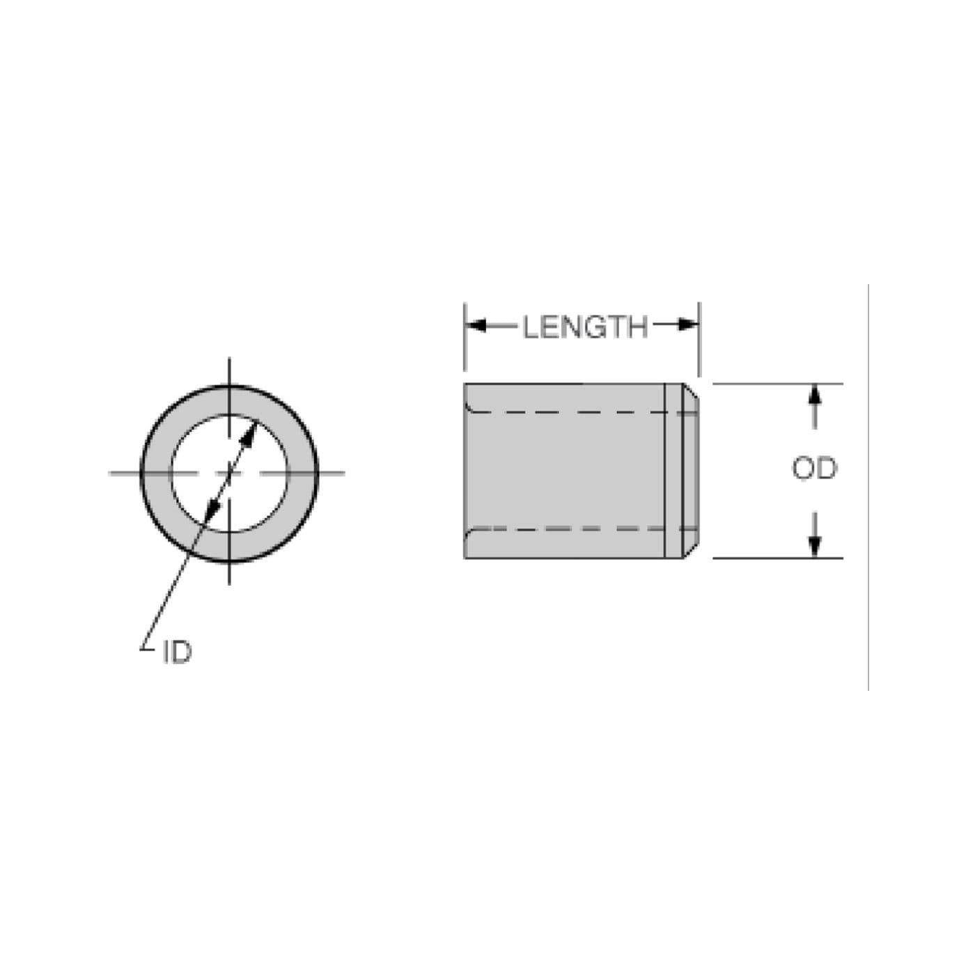
Canon de perçage type « P », acier 1144, 5/16 x 3/4 x 0,1935 po
Code : CL-P-20-12-.1935
Description
Les canons de perçage de type P sont les plus populaires et les moins chers. Ils sont pressés en permanence dans le plateau de fixation, généralement au ras de la surface supérieure. Ils sont généralement utilisés pour le perçage ou l’alésage en une seule opération, lorsque vous ne prévoyez pas de remplacer les canons pendant la durée de vie de l’outillage. Ils peuvent être montés plus près les uns des autres que les canons à tête, mais offrent moins de résistance aux fortes charges axiales.
Spécifications
Documents